当前位置:
板材网>
板材新闻>
今日聚焦>
详情
手机版最新留言:
使用手机微信“扫一扫”功能,扫描以下二维码,即可将本文分享到“朋友圈”中。
2025-04-27 编辑:板材网 来源:网络 浏览数:13634
现代父母渴望为孩子们创造个性化的成长空间,但许多人对儿童房的理解仍停留在一个基础的“休息场所”上。他们往往将儿童房设计为成人房间的缩小版,采用千篇一律的模板,过分追求外观的美观而忽略了孩子的真正需求。
现代父母渴望为孩子们创造个性化的成长空间,但许多人对儿童房的理解仍停留在一个基础的“休息场所”上。他们往往将儿童房设计为成人房间的缩小版,采用千篇一律的模板,过分追求外观的美观而忽略了孩子的真正需求。
然而,设计的本质并不仅仅是追求美学,它的核心应是满足生活的实际需求。六一儿童节在即,为大家分享:儿童房装修,如何更符合孩子们的成长需求?
在孩子的成长过程中,每个发展阶段都有其独特的居住需求。在设计儿童房时,应充分考虑孩子在不同年龄阶段的功能需求。
0-3岁,可以不需要独立房间,玩耍的区域,一块爬行垫就足够;
3-6岁,玩耍空间+阅读空间;
6-12岁,写作业的地方+玩耍的空间;
12+岁,不受干扰的学习空间。
总的来说,包括休息/玩乐/阅读/学习/收纳这几大功能,不同年龄,侧重也不同。
01色彩搭配
对于儿童房来说,色彩搭配很重要。
儿童对空间的色彩认知约70%从周围环境中得来。墙面、地面、家具的颜色是儿童直观感受周围环境色彩的观察对象。混沌纷乱、无秩序的杂乱色彩,将会严重影响儿童的身心健康,引起视觉疲劳,产生焦躁不安、注意力不集中等不良问题。
下面为大家分享几款新港仿生精板的用户设计方案,希望为您带来新的装修灵感。
C201冰白+CM301东方既白
一种以柔和、清新的蓝色调为主的装修风格,搭配白色、米色或浅灰色,对儿童来说既温和又富有想象力,打造清爽感儿童房。
CM301海天霞+C202浅云灰
粉嫩干净的女孩房设计,“海天霞+浅云灰”的公主房色调,营造甜美、梦幻的氛围。
M103黄调橡木+C202浅云灰
以温润舒适的触感给宝贝最亲近的守护,以温暖的底色来承载儿童房设计的奇思妙想,橡木的温柔搭配浅云灰的静谧,打造超安心的舒适体验。
M106浅波咖橡+C202浅云灰
花色搭配稳重而不失活泼,适用于学龄期儿童。玩具慢慢减少,游戏空间也转变为学习空间,他们开始需要自己的独立空间,拥有属于自己的主见和选择。
M101清雅雪松+C201冰白
以清雅的雪松色作为房间的主色调,温暖而柔和,有利于孩子心性的稳定和情绪的健康发展。
G402凉风闲梦+M104温润橡木
无法抗拒的梦幻颜色,搭配童趣感的摆件玩偶更加生动,打造温柔奶油系少女心卧室。
02家具选择
选择环保材料
在家庭装修过程中,儿童是装修污染最 大受害者。有研究显示,0至14岁儿童成为白血病高发人群,室内环境污染是重要诱因。
所以,儿童房的家具选择应力求环保、健康,选择既能满足ENF级环保标准又符合无醛人造板定义的产品。
为守护家居健康生活,新港集团与李坚院士团队,受到自然界贻贝分泌黏附蛋白的启发,以绿色多羟基化合物为原料,构筑了“类多巴胺”结构仿生绿色胶黏剂,能够实现甲醛零添加。绿色多羟基化合物是一种通过可再生物质获得的生物基材料,对环境友好、在使用过程中不会产生有害化学物质。
目前,新港集团已独 家实现新港仿生精板、仿生无醛刨花板和仿生无醛超薄纤维板的规模化批量生产,产品工艺稳定,力学性能满足国家标准要求,环保性能达到ENF级国家环保最 高标准。
新港集团坚持绿色产品理念,加大研发投入,不断提升产品的环保性能和安全性能,相继荣获绿色产品认证、无醛认证以及儿童安全级产品认证等多项环保殊荣。
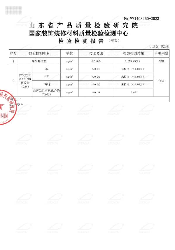
经山东省产品质量检验研究院国家装饰装修材料质量检验检测中心检测认定,新港板材甲醛释放量≤0.025mg/m³,挥发性有机化合物释放量(苯、甲苯、二甲苯、TVOC)未检出,通过《建材产品儿童安全级评价技术规范 人造板》检测标准。
流线型、以圆角为主的家具
儿童房中尽量选择设计流线型、以圆角为主的家具,尽量避免尖锐物品出现。
新港集团采用板式家具免封边折弯工艺技术,房门套板、门扇、格栅构件全折弯,弧形过渡丝滑,为空间增添了无穷的魅力和创意,创造出富有动感和曲线美感的空间体验。
家有“小神兽”,考虑才要面面俱到。让家居格调和健康生活并存,才能为孩子创造一个健全的成长环境。
想了解这个项目,请联系我!
我想加盟,请将项目的资料发给我。
请问我所在地区有加盟商了吗?
想了解此项目的加盟流程,请联系我!
请问加盟此项目需投资多少钱?
版权与免责声明:
凡未注明稿件来源的内容均为转稿或由企业用户注册发布,本网转载出于传递更多信息的目的,如转稿涉及版权问题,请作者联系我们处理。我们对页面中展示内容的真实性、准确性和合法性均不承担任何法律责任。
如内容信息对您产生影响,请及时联系我们修改或删除。
15811192007

今天已经有 236 人获取加盟资料
中国木门网采访劲庭木门董事长王鹏
2025临沂门博会,中国木门网采访华强木门品牌经理马翠翠
2025北京木门展,中国木门网采访京京木门赵总
2025北京木门展,中国木门网采访金迪木门何总
2025北京木门展,中国木门网采访艾穆德木门朱总
在注重生活品质的当下,绿色、环保、健康已成为家居装饰的核心关注点。为充分满足广大消费者的这一需求,雪宝板材ENF级零醛添加的大豆胶板材系列产品,凭借卓越的环保性能与匠心品质,成为了年轻群体高环保品质家…
在历史悠久、文化厚重的河南省开封市兰考县,一场全新的商业盛宴正在拉开帷幕。福湘兰考新店盛大开业,为这片充满希望的土地带来了新的活力与品质选择。
2025年4月19日,千年舟集团以 “样板力量・大国智造”为主题的品牌日暨「百媒工厂行」活动正式启幕,来自全国的百余家媒体走进千年舟澳思柏恩日照工厂与临沂分公司,深度探访木业智能化生产的“中国方案”。
在“双碳”战略深入推进与智能家居产业加速升级的双重背景下,2024年4月18日,“千山智造 板定未来”T20离子晶体板新品发布会于山东临沂隆重举行。作为中国板材行业的领军企业,千山木业以颠覆性创新成果…
让加盟更诚信 让选择更放心
立即咨询做有权威的品牌